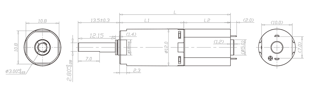
12MM减速齿轮箱
外径:12mm
材质:塑料
旋转方向:cw&ccw
齿轮箱回程差:≤3°
轴承:含油轴承;滚动轴承
轴向窜动:≤0.3mm(含油轴承);≤0.2mm(滚动轴承)
输出轴径向负载:≤5N(含油轴承);≤10N(滚动轴承)
工作温度:-20……+85℃
齿轮箱参数
| 齿轮级数 |
1 |
2 |
3 |
4 |
| 减速比 |
4/6 |
16/24/36 |
64/96/144/216 |
256/384/576/864/1296 |
| 最大容许扭力(gf.cm) |
1300 |
1300 |
1300 |
1300 |
| 瞬间容许力矩(gf.cm) |
4000 |
4000 |
4000 |
4000 |
| 齿轮箱效率 |
85 |
73 |
65 |
58 |
| 长度 |
9.5 |
13.3 |
17.1 |
20.9 |
马达规格参数
| 马达(可选择) |
直流有刷电机、直流无刷电机、步进电机 |
| 电压(可选择) |
3-24V |
| 输入速度 |
≤30000rpm |
| 电流 |
250mA max |
齿轮级数:1
-
驱动比
-
4/6
-
最大容许扭力(gf.cm)
-
1300
﹀
-
瞬间容许力矩(gf.cm):
-
4000
-
齿轮箱效率
-
85
-
长度
-
9.5
齿轮级数:2
-
驱动比
-
16/24/36
-
最大容许扭力(gf.cm)
-
1300
﹀
-
瞬间容许力矩(gf.cm):
-
4000
-
齿轮箱效率
-
73
-
长度
-
13.3
齿轮级数:3
-
驱动比
-
64/96/144/216
-
最大容许扭力(gf.cm)
-
1300
﹀
-
瞬间容许力矩(gf.cm):
-
4000
-
齿轮箱效率
-
65
-
长度
-
17.1
齿轮级数:4
-
驱动比
-
256/384/576/864/1296
-
最大容许扭力(gf.cm)
-
1300
﹀
-
瞬间容许力矩(gf.cm):
-
4000
-
齿轮箱效率
-
58
-
长度
-
20.9
马达规格参数
| 马达(可选择) |
直流有刷电机 直流无刷电机 步进电机 |
| 电压(可选择) |
3-24V |
| 输入速度 |
≤30000rpm |
| 电流 |
250mA max |
型号
ZWPD012012-4
ZWPD012012-6
ZWPD012012-16
ZWPD012012-24
ZWPD012012-36
ZWPD012012-64
ZWPD012012-96
ZWPD012012-144
ZWPD012012-216
ZWPD012012-256
ZWPD012012-384
ZWPD012012-576
ZWPD012012-864
ZWPD012012-1296
额定转速(rpm)
1875
1250
469
313
208
117
78
52
35
29
20
13
9
6
最高转速(rpm)
7500
5000
1875
1250
833
469
313
208
139
117
78
52
35
23
额定容许力矩(gf.cm)
1300
1300
1300
1300
1300
1300
1300
1300
1300
1300
1300
1300
1300
1300
瞬间容许力矩(gf.cm)
4000
4000
4000
4000
4000
4000
4000
4000
4000
4000
4000
4000
4000
4000
减速比
4
6
16
24
36
64
96
144
216
256
384
576
864
1296
减速箱长L1(mm)
9.5
13.3
17.1
20.9
总长L(mm)
24.5
28.3
32.1
35.9
*以上规格数据仅供参考,如有修改恕不另行通知。
* The above specifications are subject to change without prior notice.
12MM减速齿轮箱应用
不朽情缘mg官网 — 微型驱动系统制造商
专注于研发、生产精密驱动系统,为客户提供智能驱动方案设计,零件的生产与组装的定制化服务
立即咨询 >